Ross Phaser Chronology Guide
by Rob Strand
| Color | Made | Identifying Features |
|---|---|---|
| Orange | USA | Intensity Control Non-script Phaser One 14 pin chip AM9709, or, 4x P1087E JFETs solder to 14-pin DIP plug Known unit 1978, S/N 21446 SCHEMATIC |
| Orange | USA | Recycle Control Non-script Phaser One 16 pin chip AM97C11CN Known unit 1979 P/N 405-0007-22, S/N 44861 SCHEMATIC |
| Orange | USA | Recycle Control Non-script Phaser 3 x 16 pin LM13600N chips Known Units P/N 405-0007-42, S/N 69974 photos courtesy of Chuck N, Petaluma, CA: component side, trace side, back plate P/N 405-0007-42, S/N 70160 |
| Orange | Taiwan | Recycle Control Heavy-script Phaser 3 x 16 pin LM13600N chips Known Unit, marked R99 S/N 0214440 |
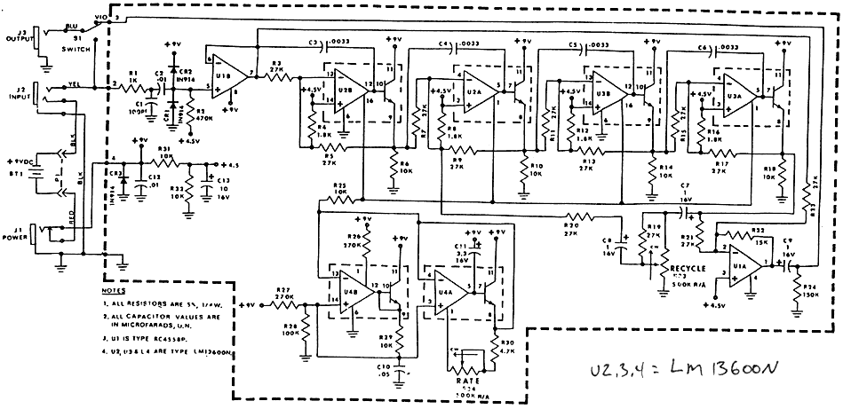
| Black | Taiwan | Recycle Control Non-script Phaser 3 x 16 pin LM13600N chips Known Unit, S/N 216979 SCHEMATIC The schematic was e-mailed to me and I do not know its origin. If the original provider of the schematic wishes, I will remove it. |
| ** no year info available for LM13600N versions. | ||
There are three known circuits and five known models.